Сегменты звездочки для бульдозера Komatsu D275
Запрос цены
Детали ходовой части тяжелой спецтехники
Сегменты звездочки Komatsu
Наши сегменты звездочек разработаны для бульдозеров Komatsu, включая такие модели, как D65, D275, D375 и D475
- Совместимые модели бульдозеров KomatsuD275
- OEM-номер запчасти17M-27-41630
Технические характеристики
- Тип: Сегмент звездочки
- Страна производства: Китай
- Бренд: PT'ZM
- Модель совместимой техники: D275
- Бренд совместимой техники: Komatsu
- Номер детали: 17M-27-41630
- Сертификаты качества: GB/T19001-2016, ISO9001:2015
- Цена: По запросу
- Способ упаковки: Морская упаковка с фумигацией
- Срок поставки: 7-30 дней
- Условия оплаты: T/T, другие условия обсуждаются отдельно
- Условия поставки: FOB, CIF, CFR
- Минимальное количество для заказа: 1 шт.
- Возможности поставки: 1000 шт/месяц
- Материал: 35Mn2
- Производственный процесс: Ковка
- Отделка: Гладкая
- Твердость: HRC48-55, глубина 8-10 мм
- Качество: Пригоден для строительных и горнодобывающих работ, а также тяжелых условий эксплуатации
- Гарантийный срок: 12 месяцев
- Послепродажное обслуживание: Видео-техническая поддержка, онлайн-поддержка
- Цвет: Желтый или по желанию заказчика
- Совместимая техника: Бульдозер
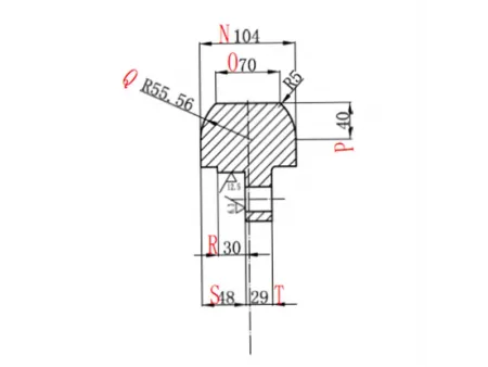
Таблица размеров (единицы измерения: мм)
| D275 | A | B | C | D | E | F | G | H | J | |
| 550 | 260.35 | 20 | 25 | 10.54 | 26.75 | 60 | 1057 | 1046.89 | ||
| K | L | M | N | O | P | Q | R | S | T | |
| 800 | 848 | 955.88 | 104 | 70 | 40 | R55.56 | 30 | 48 | 29 |
Схожая продукция
Обратная связь
Другие продукты
Новинки
Подробнее
Другие продукты
видео

