Замок с врезной ручкой, серия MPD1614
Запрос цены
Особенности
Эта модель врезного сувальдного замка имеет латунный цилиндр и ключ. Подходит для мест с повышенными требованиями к безопасности. Корпус замка изготовлен из POM, а ручка - из алюминиевого сплава для обеспечения прочности замка. По сравнению с другими моделями замков, эта модель обладает большей прочностью и лучшей безопасностью. Засов изготовлен из пластика POM и нержавеющей стали для снижения шума и обеспечения лучшего эффекта приглушения. При обработке поверхности используется японская передовая технология. Перед завершением производства, наша компания также проводит различные тесты в соответствии с японскими стандартами JIS для гарантии длительного срока работы замка.
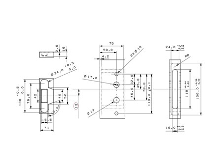
Размеры
Основные части замка
| № | Наименование | № | Наименование |
| 1 | Внутренняя рукоятка рычага | 6 | Наружная рукоятка рычага |
| 2 | Винт | 7 | Пластина корпуса замка |
| 3 | Внутренняя панель для рычажной рукоятки | 8 | Винт корпуса замка |
| 4 | Корпус замка | 9 | Ударная коробка |
| 5 | Внешняя панель рычажной рукоятки | 10 | Крепежный винт |
Инструкция по установке
Детали
Схожая продукция
Обратная связь
Другие продукты
Новинки
Подробнее
Другие продукты
видео

