Поддерживающий каток для экскаватора Hitachi EX1200
Запрос цены
- Совместимые модели экскаваторов Спецтехника HitachiEX1200-6, EX1100, ZX870, ZX850, ZX800, EX700, EX750, ZX670John Deere650 D, 750, 750 EXC, 800 C, 850 CСпецтехника VolvoEC650, EC700B LC
- OEM-номер запчастиHITACHI 4349518, HITACHI 4638433, HITACHI 9078675, HITACHI 9134126, JOHN DEERE AT318030, VOLVO 14531515
Технические характеристики
- Тип: Поддерживающий каток
- Страна производства: Китай
- Бренд: PT'ZM
- Модель совместимой техники: EX1200
- Бренд совместимой техники: Hitachi
- Номер детали: 4638433
- Сертификаты качества: GB/T19001-2016, ISO9001:2015
- Цена: По запросу
- Способ упаковки: Морская упаковка с фумигацией
- Срок поставки: 7-30 дней
- Условия оплаты: T/T, другие условия обсуждаются отдельно
- Условия поставки: FOB, CIF, CFR
- Минимальное количество для заказа: 1 шт.
- Возможности поставки: 100 шт/месяц
- Материал: 40Mnb2/42CrMo
- Производственный процесс: Ковка
- Отделка: Гладкая
- Твердость: HRC48-55, глубина 8-10 мм
- Качество: Пригоден для строительных и горнодобывающих работ
- Гарантийный срок: 12 месяцев
- Послепродажное обслуживание: Видео-техническая поддержка, онлайн-поддержка
- Цвет: Черный или по желанию заказчика
- Совместимая техника: Гусеничный экскаватор
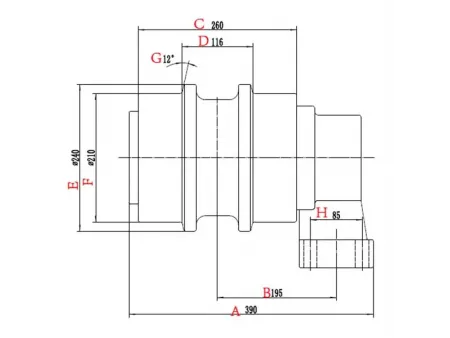
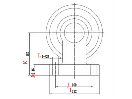
Таблица размеров (единицы измерения: мм)
| EX1200 | A | B | C | D | E | F |
| 390 | 195 | 260 | 116 | 240 | 210 | |
| G | H | I | J | K | M | |
| 12 | 85 | 212 | 160 | 180 | 46 |
Схожая продукция
Обратная связь
Другие продукты
Новинки
Серия STPHT Климатическая камера для высокотемпературных испытаний (сверхвысокие температуры)
testchamber-ru.com
Подробнее
Другие продукты
видео

