Ведущая звездочка для экскаватора Caterpillar 365
Запрос цены
Детали ходовой части тяжелой спецтехники
Ведущие звездочки Caterpillar
Мы поставляем высокопрочные ведущие звездочки для экскаваторов от компании Caterpillar, совместимые с широким спектром средних и крупных моделей
- Совместимые модели экскаваторов CaterpillarE365B, E365C, E374D, E374F
- OEM-номер запчастиBERCO CR6529, CATERPILLAR 141-9655
Технические характеристики
- Тип: Ведущая звездочка
- Страна производства: Китай
- Бренд: PT'ZM
- Модель совместимой техники: E365
- Бренд совместимой техники: Caterpillar
- Номер детали: 141-9655
- Сертификаты качества: GB/T19001-2016, ISO9001:2015
- Цена: По запросу
- Способ упаковки: Морская упаковка с фумигацией
- Срок поставки: 7-30 дней
- Условия оплаты: T/T, другие условия обсуждаются отдельно
- Условия поставки: FOB, CIF, CFR
- Минимальное количество для заказа: 1 шт.
- Возможности поставки: 10000 шт/месяц
- Материал: 35SiMn
- Производственный процесс: Литье
- Отделка: Гладкая
- Твердость: HRC50-60
- Качество: Пригодна для строительных и горнодобывающих работ
- Гарантийный срок: 12 месяцев
- Послепродажное обслуживание: Видео-техническая поддержка, онлайн-поддержка
- Цвет: Желтый, черный или по желанию заказчика
- Совместимая техника: Гусеничный экскаватор
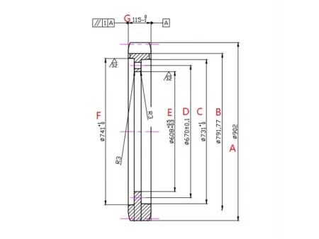
Таблица размеров (единицы измерения: мм)
| E365 | A | B | C | D | E |
| 902 | 791.77 | 731 | 670 | 608 | |
| F | G | H | J | K | |
| 741 | 115 | 260.35 | M30 | 21T |
Схожая продукция
Обратная связь
Другие продукты
Новинки
Подробнее
Другие продукты
видео

