Шестеренные насосы внешнего зацепления
Запрос цены
Гидравлические насосы
Техническая информация
- Рабочий объем: 6~44 см3/об.
- Направление вращения: по часовой стрелке (D), против часовой стрелки (S)
- Минимальная скорость: 400~800 об/мин/мин
- Максимальная скорость: 2500~4000 об/мин/мин
- Пиковое давление: 210~300 бар
- Строительная техника, Сельскохозяйственная техника, Гидравлическая система
Характеристики
- Низкий уровень шума, высокая эффективность, длительный срок службы
- Высокая производительность даже на низких скоростях
- Доступно несколько вариантов удлинения масляного отверстия и вала
- Герметичное уплотнение вала
Технические параметры шестеренчатого насоса внешнего зацепления группа 2.6
| Производительность | Абсолютное давление всасывания | Макс. постоянное давление | Макс.прерывистое давление | Макс. пиковое давление | Мин.скорость | Макс. скорость | Объемный КПД |
| V | Pe | P1 | P2 | P3 | nmin | nmax | ηv |
| cn¹/rev | бар | об/мин | % | ||||
| 6 | 0.7...3 | 250 | 280 | 300 | 800 | 4000 | ≥92 |
| 8 | |||||||
| 10 | 700 | ||||||
| 12 | 3500 | ||||||
| 14 | 600 | ||||||
| 16 | |||||||
| 19 | 500 | 3000 | ≥93 | ||||
| 22 | |||||||
| 25 | |||||||
| 28 | |||||||
| 30 | 230 | 250 | 260 | 400 | ≥94 | ||
| 32 | |||||||
| 36 | 200 | 230 | 250 | 2750 | |||
| 38 | |||||||
| 40 | 170 | 190 | 210 | 2500 | ≥95 | ||
| 44 | |||||||
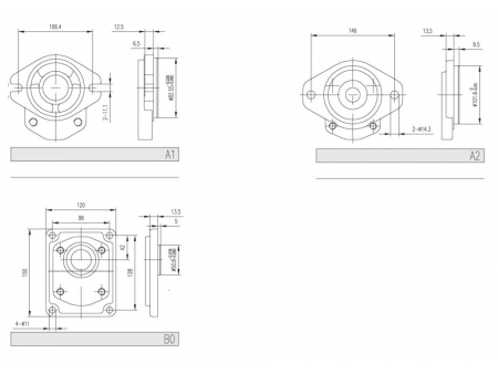
Правила оформления заказа шестеренчатого насоса внешнего зацепления группа 2.6
Стандартные размеры шестеренчатых насосов внешнего зацепления группы 2.6
| Производительность | Макс. давление | Максимальная скорость | Минимальная скорость | Вес | Размеры | Код маслянного порта | Входное отверстие | Выходное отверстие | |||
| P1 | P2 | P3 | M | L | D | d | |||||
| ( см3/об.) | бар | бар | бар | (об/мин) | (об/мин) | кг | мм | мм | |||
| 6 | 250 | 280 | 300 | 4000 | 800 | 4 | 103 | 49.3 | L0 | G3/4 | G1/2 |
| 8 | 250 | 280 | 300 | 4000 | 800 | 4.3 | 105 | 50.3 | L0 | G3/4 | G1/2 |
| 10 | 250 | 280 | 300 | 4000 | 700 | 4.6 | 107 | 51.3 | L0 | G3/4 | G1/2 |
| 12 | 250 | 280 | 300 | 3500 | 700 | 4.9 | 110 | 52.5 | L0 | G3/4 | G1/2 |
| 14 | 250 | 280 | 300 | 3500 | 600 | 5.2 | 111 | 53.3 | L0 | G3/4 | G1/2 |
| 16 | 250 | 280 | 300 | 3500 | 600 | 5.5 | 114 | 54.5 | L0 | G3/4 | G1/2 |
| 19 | 250 | 280 | 300 | 3000 | 500 | 5.8 | 117 | 56.3 | L0 | G3/4 | G1/2 |
| 22 | 250 | 280 | 300 | 3000 | 500 | 6.1 | 121 | 58 | L0 | G3/4 | G1/2 |
| 25 | 250 | 280 | 300 | 3000 | 500 | 6.4 | 123 | 59.3 | L1 | G1 | G3/4 |
| 28 | 250 | 280 | 300 | 3000 | 500 | 6.7 | 126 | 60.8 | L1 | G1 | G3/4 |
| 30 | 230 | 250 | 260 | 3000 | 500 | 7 | 129 | 62 | L1 | G1 | G3/4 |
| 32 | 230 | 250 | 260 | 3000 | 400 | 7.3 | 131 | 63.3 | L1 | G1 | G3/4 |
| 36 | 200 | 230 | 250 | 2750 | 400 | 7.6 | 135 | 65.3 | L1 | G1 | G3/4 |
| 38 | 200 | 230 | 250 | 2750 | 400 | 7.9 | 137 | 66.3 | L1 | G1 | G3/4 |
| 40 | 170 | 190 | 210 | 2500 | 400 | 8.2 | 139 | 67.3 | L1 | G1 | G3/4 |
| 44 | 170 | 190 | 210 | 2500 | 400 | 8.5 | 144 | 69.5 | L1 | G1 | G3/4 |
| Производительность | Макс. давление | Максимальная скорость | Минимальная скорость | Вес | Размеры | Код маслянного порта | Входное отверстие | Выходное отверстие | |||||||
| P1 | P2 | P3 | M | L | B | D | C | b | d | c | |||||
| ( см3/об.) | бар | бар | бар | (об/мин) | (об/мин) | кг | мм | мм | мм | мм | мм | мм | |||
| 6 | 250 | 280 | 300 | 4000 | 800 | 4 | 103 | 49.3 | E0 | 30 | 13 | M6 | 30 | 13 | M6 |
| 8 | 250 | 280 | 300 | 4000 | 800 | 4.3 | 105 | 50.3 | E0 | 30 | 13 | M6 | 30 | 13 | M6 |
| 10 | 250 | 280 | 300 | 4000 | 700 | 4.6 | 107 | 51.3 | E1 | 40 | 20 | M8 | 30 | 13 | M6 |
| 12 | 250 | 280 | 300 | 3500 | 700 | 4.9 | 110 | 52.5 | E1 | 40 | 20 | M8 | 30 | 13 | M6 |
| 14 | 250 | 280 | 300 | 3500 | 600 | 5.2 | 111 | 53.3 | E1 | 40 | 20 | M8 | 30 | 13 | M6 |
| 16 | 250 | 280 | 300 | 3500 | 600 | 5.5 | 114 | 54.5 | E1 | 40 | 20 | M8 | 30 | 13 | M6 |
| 19 | 250 | 280 | 300 | 3000 | 500 | 5.8 | 117 | 56.3 | E1 | 40 | 20 | M8 | 30 | 13 | M6 |
| 22 | 250 | 280 | 300 | 3000 | 500 | 6.1 | 121 | 58 | E2 | 51 | 25 | M10 | 40 | 18 | M8 |
| 25 | 250 | 280 | 300 | 3000 | 500 | 6.4 | 123 | 59.3 | E2 | 51 | 25 | M10 | 40 | 18 | M8 |
| 28 | 250 | 280 | 300 | 3000 | 500 | 6.7 | 126 | 60.8 | E2 | 51 | 25 | M10 | 40 | 18 | M8 |
| 30 | 230 | 250 | 260 | 3000 | 500 | 7 | 129 | 62 | E2 | 51 | 25 | M10 | 40 | 18 | M8 |
| 32 | 230 | 250 | 260 | 3000 | 400 | 7.3 | 131 | 63.3 | E2 | 51 | 25 | M10 | 40 | 18 | M8 |
| 36 | 200 | 230 | 250 | 2750 | 400 | 7.6 | 135 | 65.3 | E2 | 51 | 25 | M10 | 40 | 18 | M8 |
| 38 | 200 | 230 | 250 | 2750 | 400 | 7.9 | 137 | 66.3 | E2 | 51 | 25 | M10 | 40 | 18 | M8 |
| 40 | 170 | 190 | 210 | 2500 | 400 | 8.2 | 139 | 67.3 | E2 | 51 | 25 | M10 | 40 | 18 | M8 |
| 44 | 170 | 190 | 210 | 2500 | 400 | 8.5 | 144 | 69.5 | E2 | 51 | 25 | M10 | 40 | 18 | M8 |
| Производительность | Макс. давление | Максимальная скорость | Минимальная скорость | Вес | Размеры | Код маслянного порта | Входное отверстие | Выходное отверстие | |||
| P1 | P2 | P3 | M | L | D | d | |||||
| ( см3/об.) | бар | бар | бар | (об/мин) | (об/мин) | кг | мм | мм | |||
| 6 | 250 | 280 | 300 | 4000 | 800 | 4 | 103 | 49.3 | U0 | 1/16-12UNF | 7/8-14UNF |
| 8 | 250 | 280 | 300 | 4000 | 800 | 4.3 | 105 | 50.3 | U0 | 1/16-12UNF | 7/8-14UNF |
| 10 | 250 | 280 | 300 | 4000 | 700 | 4.6 | 107 | 51.3 | U0 | 1/16-12UNF | 7/8-14UNF |
| 12 | 250 | 280 | 300 | 3500 | 700 | 4.9 | 110 | 52.5 | U0 | 1/16-12UNF | 7/8-14UNF |
| 14 | 250 | 280 | 300 | 3500 | 600 | 5.2 | 111 | 53.3 | U0 | 1/16-12UNF | 7/8-14UNF |
| 16 | 250 | 280 | 300 | 3500 | 600 | 5.5 | 114 | 54.5 | U0 | 1/16-12UNF | 7/8-14UNF |
| 19 | 250 | 280 | 300 | 3000 | 500 | 5.8 | 117 | 56.3 | U0 | 1/16-12UN | 7/8-14UNF |
| 22 | 250 | 280 | 300 | 3000 | 500 | 6.1 | 121 | 58 | U0 | 1/16-12UNF | 7/8-14UNF |
| 25 | 250 | 280 | 300 | 3000 | 500 | 6.4 | 123 | 59.3 | U1 | 5/16-12UNF | 1/16-12UNF |
| 28 | 250 | 280 | 300 | 3000 | 500 | 6.7 | 126 | 60.8 | U1 | 5/16-12UNF | 1/16-12UNF |
| 30 | 230 | 250 | 260 | 3000 | 500 | 7 | 129 | 62 | U1 | 5/16-12UNF | 1/16-12UNF |
| 32 | 230 | 250 | 260 | 3000 | 400 | 7.3 | 131 | 63.3 | U1 | 5/16-12UNF | 1/16-12UNF |
| 36 | 200 | 230 | 250 | 2750 | 400 | 7.6 | 135 | 65.3 | U1 | 5/16-12UNF | 1/16-12UNF |
| 38 | 200 | 230 | 250 | 2750 | 400 | 7.9 | 137 | 66.3 | U1 | 5/16-12UNF | 1/16-12UNF |
| 40 | 170 | 190 | 210 | 2500 | 400 | 8.2 | 139 | 67.3 | U1 | 5/16-12UNF | 1/16-12UNF |
| 44 | 170 | 190 | 210 | 2500 | 400 | 8.5 | 144 | 69.5 | U1 | 5/16-12UNE | 1/16-12UNF |
| Производительность | Макс. давление | Максимальная скорость | Минимальная скорость | Вес | Размеры | Код маслянного порта | Входное отверстие | Выходное отверстие | ||
| P1 | P2 | P3 | M | D | d | |||||
| ( см3/об.) | бар | бар | бар | (об/мин) | (об/мин) | кг | мм | |||
| 6 | 250 | 280 | 300 | 4000 | 800 | 4.15 | 118 | L0 | G3/4 | G1/2 |
| 8 | 250 | 280 | 300 | 4000 | 800 | 4.45 | 120 | L0 | G3/4 | G1/2 |
| 10 | 250 | 280 | 300 | 4000 | 700 | 4.75 | 122 | L0 | G3/4 | G1/2 |
| 12 | 250 | 280 | 300 | 3500 | 700 | 5.05 | 125 | L0 | G3/4 | G1/2 |
| 14 | 250 | 280 | 300 | 3500 | 600 | 5.35 | 126 | L0 | G3/4 | G1/2 |
| 16 | 250 | 280 | 300 | 3500 | 600 | 5.65 | 129 | L0 | G3/4 | G1/2 |
| 19 | 250 | 280 | 300 | 3000 | 500 | 5.95 | 132 | L0 | G3/4 | G1/2 |
| 22 | 250 | 280 | 300 | 3000 | 500 | 6.25 | 136 | L0 | G3/4 | G1/2 |
| 25 | 250 | 280 | 300 | 3000 | 500 | 6.55 | 138 | L1 | G1 | G3/4 |
| 28 | 250 | 280 | 300 | 3000 | 500 | 6.85 | 141 | L1 | G1 | G3/4 |
| 30 | 230 | 250 | 260 | 3000 | 500 | 7.15 | 144 | L1 | G1 | G3/4 |
| 32 | 230 | 250 | 260 | 3000 | 400 | 7.45 | 146 | L1 | G1 | G3/4 |
| 36 | 200 | 230 | 250 | 2750 | 400 | 7.75 | 150 | L1 | G1 | G3/4 |
| 38 | 200 | 230 | 250 | 2750 | 400 | 8.05 | 152 | L1 | G1 | G3/4 |
| 40 | 170 | 190 | 210 | 2500 | 400 | 8.35 | 154 | L1 | G1 | G3/4 |
| 44 | 170 | 190 | 210 | 2500 | 400 | 8.65 | 159 | L1 | G1 | G3/4 |
- Дата: 28-31 Мая 2024Адрес: Крокус Экспо, МоскваНомер стенда: HALL8 8-910Представленный продукт: Гидравлический шестеренный насос
Схожая продукция
Обратная связь
Другие продукты
Новинки
Подробнее
Другие продукты
видео

