Поддерживающий каток для экскаватора Volvo EC950
Запрос цены
Детали ходовой части тяжелой спецтехники
Поддерживающие катки Volvo
Поддерживающие катки являются ключевыми компонентами ходовой системы экскаваторов Volvo, обеспечивая поддержку верхней ветви гусеницы и ее правильное выравнивание
- Совместимые модели экскаваторов VolvoEC950
Технические характеристики
- Тип: Поддерживающий каток
- Страна производства: Китай
- Бренд: PT'ZM
- Модель совместимой техники: EC950
- Бренд совместимой техники: Volvo
- Номер детали: /
- Сертификаты качества: GB/T19001-2016, ISO9001:2015
- Цена: По запросу
- Способ упаковки: Морская упаковка с фумигацией
- Срок поставки: 7-30 дней
- Условия оплаты: T/T, другие условия обсуждаются отдельно
- Условия поставки: FOB, CIF, CFR
- Минимальное количество для заказа: 1 шт.
- Возможности поставки: 100 шт/месяц
- Материал: 40Mnb2/42CrMo
- Производственный процесс: Ковка
- Отделка: Гладкая
- Твердость: HRC48-55, глубина 8-10 мм
- Качество: Пригоден для строительных и горнодобывающих работ
- Гарантийный срок: 12 месяцев
- Послепродажное обслуживание: Видео-техническая поддержка, онлайн-поддержка
- Цвет: Черный или по желанию заказчика
- Совместимая техника: Гусеничный экскаватор
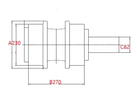
Таблица размеров (единицы измерения: мм)
| EC950 | A | B | C |
| 230 | 270 | 82 |
Схожая продукция
Обратная связь
Другие продукты
Новинки
Подробнее
Другие продукты
видео

