Роторный просеиватель центробежного типа (одновальный)
Ротационный просеиватель для разделения и классификации порошков и гранул различного размера с использованием центробежной силы
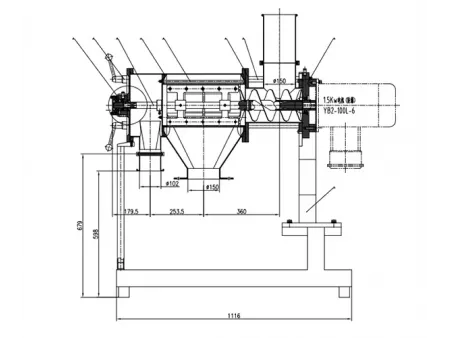
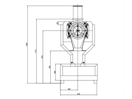
Одновальный ротационный центробежный просеиватель предназначен для точного разделения и просеивания порошков и гранул посредством действия центробежной силы. Материал подается во вращающуюся камеру через шнековый конвейер, где высокоскоростные вращающиеся лопасти эффективно классифицируют и просеивают частицы. Мелкая фракция проходит через сетку в сборную камеру, в то время как крупные частицы автоматически удаляются для повторной обработки.
Горизонтальный просеивающий аппарат широко используется в фармацевтической, пищевой и химической промышленности для просеивания порошков и классификации частиц, предлагая клиентам высокую производительность и эффективность.
| Параметр | Контактирующие с продуктом детали | Неконтактирующие детали |
| Материал | Нержавеющая сталь AISI-316L | Нержавеющая сталь AISI-304 |
| Обработка поверхности | Ra≤0.8 мкм (шероховатость), полированная | Ra≤1.4 мкм (шероховатость), шлифованная |
| Сварные швы | Травленые и зашлифованные | Травленые и зашлифованные |
| Производительность | 200 кг/ч | |
| Скорость вращения | 1500 об/мин | |
| Мощность | 1.1 кВт | |
| Масса машины | 250 кг | |
- Полностью закрытая конструкция предотвращает загрязнение продукта.
- Отсутствие контакта деталей во время работы.
- Быстросъемная конструкция для оперативной разборки и легкой очистки.
- Герметичная конструкция подшипников для длительного срока службы просеивателя.
- Регулируемое управление скоростью с дополнительным цифровым дисплеем.
- Интегрированный, удобный в эксплуатации дизайн, гарантирующий эффективность и стабильность результатов просеивания.
- Пигменты
- Пищевые добавки
- Активные фармацевтические субстанции (АФС)
- Настройка конструкции
Тонкая настройка размеров и ориентации входного и выходного патрубков. - Настройка дизайна
Предлагаем клиентам выбор материалов, типа финишной обработки поверхности и конструкции мобильной рамы. - Настройка функций
Доступны выбор размера сетки, характеристик двигателя просеивания, интеграции системы управления, интерфейса вакуумной подачи, взрывозащищенного исполнения и опциональной системы CIP (очистки на месте).
Данный ротационный просеиватель центробежного типа может быть совмещен с нашей пневмотранспортной системой и молотковой мельницей для формирования полной технологической линии, адаптированной под различные требования заказчиков.
Для переработки порошков мы также предоставляем .

