Секционный гидрораспределитель SMWV-06
Гидравлический многоканальный распределитель для управления потоком жидкости в различной промышленной и сельскохозяйственной технике
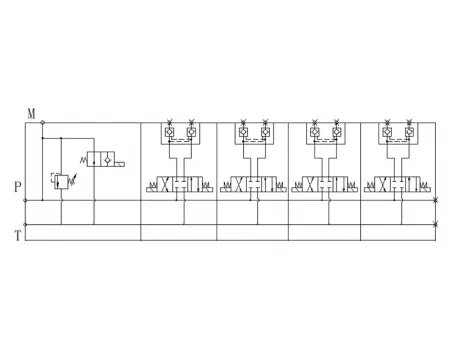
Секционный золотниковый распределительный клапан SMWV-06 использует электромагнитный золотник для управления запуском, остановкой и изменением направления потока жидкости в гидравлических системах. Наш секционный гидрораспределитель оснащен полностью герметизированным и изолированным соленоидом постоянного тока мокрого типа, что позволяет якорю перемещаться в масле. Такая конструкция снижает износ, смягчает гидравлические удары, улучшает теплоотвод и повышает надежность переключения и сброса, что приводит к увеличению срока службы гидравлического клапана. Кроме того, наш гидрораспределительный клапан имеет литые жидкостные каналы, которые снижают потери давления и увеличивают пропускную способность гидравлической жидкости для повышения эффективности системы.
- Компактная конструкция из модулей с возможностью комбинирования нескольких отдельных модульных клапанов
- Интегрированная схема гидравлического замка упрощает общую гидравлическую систему и повышает безопасность
- Низкие потери давления и высокая эффективность, способствующие снижению общего расхода электроэнергии гидравлической техники
| Номинальное давление | 315 бар |
| Номинальный расход | 40 л/мин |
| Температура гидравлического масла | -20℃~80℃ |
| Уровень загрязнения | ISO 4406 CLASS 20/18/15 |
| Обработка поверхности | Никелирование |
| Вязкость гидравлического масла | ISO 20~400 мм²/с |
Секционный клапан широко используется в уборочной технике, подъемно-транспортных платформах и санитарно-техническом оборудовании:
- Уборочная техника (например, харвестеры): Поддерживает синхронизированное управление высотой жатки, скоростью барабана и очистными механизмами с адаптацией к изменяющимся полевым нагрузкам
- Подъемные платформы (например, автомобильные подъемники): Обеспечивает плавное и точное управление выдвижением и втягиванием стабилизаторов с функцией удержания давления, которая сохраняет платформу стабильной и безопасной во время проведения работ на высоте
- Коммунальная спец. техника (например, мусоровозы или транспорт с крюковой подъемной системой): Эффективно и надежно управляет операциями подъема и опускания механизмов опрокидывания контейнеров и подъемных стрел

