Секционный гидрораспределитель SMWV-08
Гидравлический многоканальный распределитель для управления потоком жидкости в различной промышленной и сельскохозяйственной технике
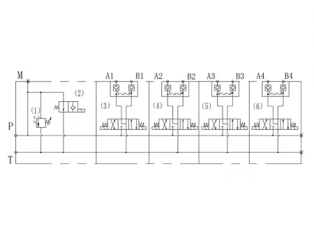
Секционный золотниковый гидрораспределитель SMWV-08 разработан для ситуаций с повышенными требованиями к расходу в высоконагруженных гидравлических системах. Данный гидравлический распределительный клапан использует стандартный электромагнитный механизм золотника для пуска, остановки и перенаправления потока гидравлической жидкости, но оптимизирован для более тяжелых условий эксплуатации и высокопроизводительной техники. Его соленоид постоянного тока мокрого типа полностью герметизирован и изолирован, что дает клапану плавное движение якоря в масле для снижения износа, смягчения гидравлических ударов и улучшения охлаждения. Такая компоновка приводит к повышению надежности переключения и увеличению общего срока службы клапана. Блок управления секционного гидравлического клапана имеет литые жидкостные каналы, минимизирующие потери давления и повышающие общую эффективность потока жидкости для тяжелой техники.
- Модульный дизайн с возможностью объединения нескольких клапанных модулей
- Интегрированный гидравлический замок упрощает гидравлическую схему и повышает общую безопасность
- Низкая потеря давления и высокая эффективность помогают снизить общее энергопотребление машины
| Номинальное давление | 210 бар |
| Номинальный расход | 50 л/мин |
| Температура гидравлического масла | -20℃~80℃ |
| Уровень загрязнения | ISO 4406 CLASS 20/18/15 |
| Обработка поверхности | Никелирование |
| Вязкость гидравлического масла | ISO 20~400 мм²/с |
Секционный гидрораспределитель используется в уборочной технике, подъемниках и коммунальной технике, требующих работы со значительными гидравлическими потоками:
- Уборочная техника (например, комбайны): Синхронно управляет высотой жатки, скоростью ее вращения и механизмами очистки, легко адаптируясь к различным изменениям в полевых условиях работы
- Подъемные рабочие платформы (например, многосекционные коленчатые подъемники): Поддерживает управление выдвижением многосекционной стрелы, выравниванием платформы и ее вращением для стабильных и безопасных работ на высоте
- Коммунальные автомобили (например, мусоровозы): Плавно координирует подъем контейнера мусоровоза, движение плиты уплотнения и управление баком для сточных вод

