Головка для 3D роботизированной лазерной резки, 3 кВт
LCR03
Лазерная режущая головка с ручной фокусировкой и встроенной следящей осью для резки сложных 3D-форм
LCR03
Лазерная режущая головка с ручной фокусировкой и встроенной следящей осью для резки сложных 3D-форм
Наши лазерные режущие головки для 3D роботизированной лазерной резки мощностью 3 кВт с ручной фокусировкой используют водяное охлаждение для поддержания постоянной температуры головки при длительных процессах резки. При столкновении система защиты от столкновений автоматически сбрасывает настройки головки до исходного состояния, защищая ее от дальнейших повреждений. Корпус нашей лазерной режущей головки легкий и защищен от пыли, что значительно упрощает техническое обслуживание. В оптике нашей лазерной головы используется трехслойное защитное стекло, устойчивое к износу и попаданию загрязнений.
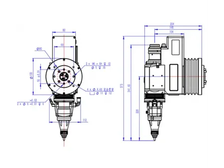
| Тип | Лазерная режущая головка для 3D роботизированной лазерной резки с ручной фокусировкой |
| Модель | LCR03 |
| Метод фокусировки | Ручная фокусировка |
| Тип интерфейса | QBH |
| Длина волны | 1080±10 нм |
| Номинальная мощность | ≤4 кВт |
| Фокусное расстояние | 150/125 мм |
| Расстояние коллимации | 75 мм |
| Диапазон фокусировки | -12~ 12 мм/-9~ 9 мм |
| Диапазон регулировки центрирования | ±1.5 мм |
| Точность позиционирования при ручной фокусировке | 0.1 мм |
| Ход дополнительной фокусировки | 27 мм |
| Скорость дополнительной фокусировки | ≤250 мм/с |
| Давление вспомогательного газа | ≤2.5 МПа |
| Масса | 5 кг |
Эти 3D-лазерные режущие головки эффективно работают на пятиосевых станках для лазерной резки и в роботизированных системах для обработки автомобильных кузовов, крыльев и других наружных панелей из углеродистой стали, алюминия, меди и оцинкованных металлических листов.
Система водяного охлаждения с замкнутым контуром на интерфейсе/разъеме QBH поддерживает стабильную температуру разъема и предотвращает образование конденсата на оптике, что гарантирует стабильную работу лазерной головки в течение длительного времени.
Трехточечная коническая система фиксации возвращает головку в исходное положение после удара, поэтому выравнивание лазера остается точным в любой производственной ситуации.
Встроенный следящий модуль (емкостное управление зазором) полностью закрыт и имеет небольшой вес, что предотвращает попадание пыли и обеспечивает быстрое отслеживание поверхностей для точной и высокоскоростной резки.
Три защитных стекла защищают основную фокусирующую оптику от брызг и пыли, повышая долговечность при ежедневном производстве.
В соответствующем стандарту креплении датчика используются срезные винты (предназначенные для безопасного разрушения при ударе), которые защищают головку и одновременно посылают сигнал о прекращении столкновения на контроллер.
Система обнаружения столкновений подключается к системе управления, которая отключает питание сразу после удара, предотвращая дальнейшие повреждения.

